燕山石化从2013年开始建设成为中被大学过程装备与控制工程专业的生产/毕业实习基地,学生在学完在校的全部课程后进行实习,主要了解化工工艺与成套设备与系统,完成实习大纲的化工单元实习任务。该厂是我专业的主要生产/毕业实习基地,从2013级开始,每年接待我专业学生约150人。
燕山石化位于北京石景山区,距离太原约500公里,需要多次转乘火车,公交前往,虽然人员多,路程遥远,过控专业连续三年前往该基地实习,无人身事故发生。食宿地点:北京石油化工学院。

图1 实习途中场景
进厂实习前,由北京石油化工学院安排专职教师从安全方面、生活方面、实习方法、实习效果等对我专业的实习工作进行了详细的介绍。
通过播发安全教育宣传片,详细介绍燕山石化安全管理制度,必修的法规包括:
➢ 消防安全管理规定
➢ 消防栓消防水炮管理规定
➢ 土石方作业安全管理规定
➢ 进入受限空间作业安全管理规定
➢ 高处作业安全管理规定
➢ 临时用电安全管理规定
➢ 起重作业安全管理规定
➢ 放射防护安全管理规定

图2 安全教育场景
通过上述各项规章制度的学习使同学们知道了企业对安全的重视程度,也使自己提高个人的安全意识,在参观实习过程中一定要严格遵守。
实习期间,还会邀请在燕山石化工作的往届校友为大家讲解工作以来的感受以及找工作方面的经验,开拓了大家的思路。

图3 为12级本专业校友为13级学生进行实习介绍
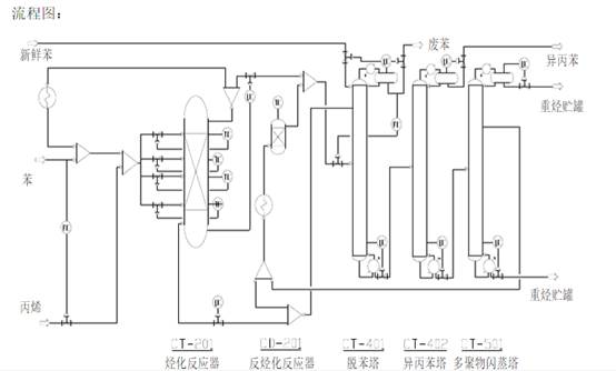
(1)燕山石化化工三厂
实习目的:了解苯酚丙酮的生产工艺及加工设备。
1986年,北京燕山石化引进日本三井油化技术建成8.5万吨/年苯酚丙酮装置。1998年,采用自主研制的第一代沸石催化剂对其进行改造。2003年,再次进行技术改造,将其生产能力提高到16万吨/年。
生产产品主要原料为苯和丙烯,这两种原料都是由燕山石化其他厂通过管道直接输送至厂区,储存在罐区的储罐中。氧化工段中所需要的空气由压缩机直接从外界获取。公用工程主要使用370℃的饱和水蒸气,由燕山石化锅炉厂提供。 通过与高等院校合作,从1992年起开展了以分子筛做催化剂合成异丙苯的研究工作,1998年利用这一研究成果,对原有的SD法生产异丙苯的装置进行改造。改造后运行数据表明,装置节能降耗效果显著,“三废”排放大幅度降低,实现了化工污水的零排放,在8.5万吨/年异丙苯装置,年节约蒸汽4.35万吨,年节约用点210.12wk·h,节约用水7.47万吨。
燕山石化丙酮苯酚装置,通过使用节水工艺,强化对循环水运行和使用的管理,运用凝结水回用与空冷技术,开展污水深度处理和回用技术研究等措施减少废水的排放。通过使用VOC处理/回收与烟气脱硫技术,对产品灌装与油品装车过程排放废气的治理减少废气的排放。通过物料的回收与循环利用,用废物制取新的产品,热能利用进行资源的再利用。目前工业废水按国家要求实现达标排放,大气环境质量基本达到国家二级标准,废渣处理利用率达到100%。
主反应方程:




流程详述:
(a) 烃化反应器(CT-201)
烃化反应器是一个有五段催化剂床层的固定床反应器。脱苯塔中脱除掉水、己烷和丙烷后的干苯从脱苯塔侧线采出部分进入烃化反应器塔底作为原料。丙烯经压缩机(PC-9A/B)升压后进入分四股进入烃化反应器(CT-201)。从反应器塔顶出来的烃化液一部分作为脱苯塔进料,另一部分经冷却器(CE-202)冷却与原料苯混合后一起进入反应器用于控制各段催化剂床层温度。
(b)反烃化反应器(CD-201)
脱苯塔侧线采出干苯与多聚物闪蒸塔侧线采出二异丙苯及三异丙苯经混合器(A-202)混合后经预热器(CE-209)预热后进入反烃化反应器。从反应器出来的反烃化反应液与烃化反应液后经混合器(A-203)混合后进入脱苯塔作为进料。
(c) 脱苯塔(CT-401)
烃化液和反烃化液经混合器(A-203)混合进入脱苯塔的第23或第27块塔板处 ,主要含有苯、异丙苯、二异丙苯、轻组份和重组份等,以及少量的乙苯、丁苯等杂质。水及轻组分经塔顶冷凝器(CE-402A/B)从塔顶采出流入回流罐(CD-215)一部分作为废水排出,大部分脱水后作为塔顶回流液,不凝气体排至火炬系统。过量苯(水含量小于50PPm)由侧线采出后作为烃化反应器与反烃化反应器的苯进料。异丙苯及重组分(苯含量小于5PPm)从塔底采出进入异丙苯塔。原料苯经除水脱除碱性杂质与脱苯塔侧采干苯换热后送到脱苯塔的71块塔板处进料。
(d) 异丙苯塔(CT-402)
来自脱苯塔塔釜的物料主要含有异丙苯、二异丙苯、三异丙苯和重组份,进入异丙苯塔中进行分离。异丙苯塔采用常压操作,异丙苯经塔顶冷凝器(CE-404)从塔顶采出流入回流罐(CD-402),一部分(异丙苯含量高于99.95%)经风冷(CE-409)及产品异丙苯第二冷凝器(CE-413B)冷凝后送至异丙苯成品罐(CTK-4A),大部分作为塔顶回流液,不凝气体直接放空。塔釜的物料正常情况下靠压差送至多聚物闪蒸塔作为进料。
(e) 多聚物闪蒸塔(CT-501) 来自异丙苯塔塔釜的物料主要含有沸点在异丙苯与二异丙苯之间的组分、二异丙苯、三异丙苯和重组份,在多聚物闪蒸塔中进行分离。该塔为负压塔,通过塔顶蒸汽喷射(CJ-1A/B)及真空调节系统控制塔顶压力。沸点在异丙苯与二异丙苯之间的组分与少量的二异丙苯从塔顶采出进入塔顶冷凝器(CE-502)中冷凝后进入回流罐(CD-501),不凝气体进一步冷凝后也进入回流罐(CD-501),一部分经回流罐作为多塔顶回流,另一部分送至重烃贮罐(PTK-50)。侧线采出主要为二异丙苯及部分三异丙苯作为反烃化反应器的进料。塔釜采出的物料为重组份,经重烃冷却器(CE-507)冷却后,作为烃焦油送至重烃贮罐(PTK-50)。
氧化工段:





流程详述:
(a) 氧化塔(PT-1/2/3/4)
来自烃化工段新鲜异丙苯,来自提浓塔顶的冷凝液送入进入氧化塔(PT-1/2/3/4)。 由压缩机送来的新鲜空气碱洗后进入氧化塔塔底。塔底的氧化液(含CHP 22~35wt%),部分送入提浓塔,大部分经冷却器冷却后回流回氧化塔,控制反应温度。塔顶尾气(含有水、有机酸)经催化燃烧后排入大气。
(b)提浓塔(PT-5/6)
来自氧化塔塔底氧化液化进入提浓塔。
新鲜异丙苯加入提浓精馏塔塔顶,作为该塔回流液,塔底物料经压差送入二段提浓器(PT-6),塔顶气相物料经冷凝器冷凝后回流回氧化塔。塔底提浓后的CH液进入分解反应器。
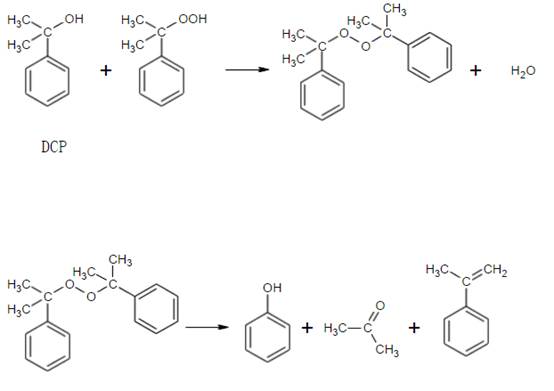
(c)分解反应器(PD-15)
来自提浓塔塔底的浓CHP液与丙酮,硫酸在混合器中混合后加入分解器。CHP在分解反应器中在硫酸的催化作用下分解生成含苯酚和丙酮的分解产物。分解反应器顶部气相丙酮进入冷凝器(PE-16A/B/C)冷凝后作为回流返回分解反应器。分解反应器底部的分解液由泵(PP-13A/B)一部分循环回反应器,大部分送入中和工序反应器。 (4)中和反应器(PD-21) 由分解反应器来的分解液首先经冷却器(PE-17)冷却后,与硫酸钠水溶液混合后进入中和反应器(PD-21)。使用硫酸钠水溶液的作用是萃取分解液中的硫酸。反应器中大部分水相(硫酸钠水溶液与分解液混合物)硫酸钠水溶液与分解液混合返回中和反应器,其余作为废水排放。而油相(除去硫酸的分解液)送入精制工段。
精制工段:

流程详述:
分解液首先从粗丙酮塔(PT-8)塔顶分离丙酮、水和比苯酚轻的组分作为精丙酮塔(PT-10)的进料,在PT-10用苛性钠处理除去醛类等低沸物,塔顶馏出物作为分解反应器用的丙酮,侧线采出产品丙酮,塔釜液送到回收工段。
PT-8塔釜液送到粗苯酚塔(PT-13),分离掉高沸点组分,得到由苯酚、烃类组成的塔顶馏分作为脱烃塔PT-14的进料。PT-14塔顶含酚较高的烃类馏分同分解液一起作为PT-8进料,塔釜液含有一些用通常的蒸馏方法不能完全脱除的酮类及呋喃类杂质,这些杂质经树脂处理器PD-40A/B/C/D净化除去,得到的粗苯酚进入精苯酚塔(PT-15)进行精馏。PT-15塔顶馏分循环回脱烃塔,塔釜液循环回粗苯酚塔,侧线采出得到产品苯酚。
含有高沸点组分的粗苯酚塔塔釜液送到焦油塔(PD-41)进行高温裂解,其塔顶馏出物回流至粗苯酚塔,塔釜剩余焦油送至PTK-11。
回收工段:

流程详述:
将精制单元来的轻焦油经20%NaOH洗涤后回收其中的苯酚,然后经循环烃系统处理得到约含15%α-MS的异丙苯、α-MS混合液。这部分物料在加氢反应器中经加氢处理得到98.0%以上的异丙苯供氧化使用。 自装置来的含酚、含丙酮的废水,经PH值调节后在PT-35中用萃取的方法回收废水中的苯酚,在PT-36中回收废水中的丙酮,使废水中的苯酚、丙酮含量达到环保要求后排放到环保中心。

图4 化工三厂实习场景
(2)化工二厂
实习目的:了解聚丙烯及其制备工艺、主要设备。
化工二厂一共有三套聚丙烯装置都采用了中国第一套设计、研发、生产,拥有完全 自主知识产权的大型挤压造粒机组,其中一聚丙烯、设备先进产量最大,工艺上,产量达20吨/小时,控制上有横河的CS3000以及西门子的PLC,S-7等先进设备。而二聚丙烯和三聚丙烯形成了以共聚产品为主、均聚产品为辅的生产格局。目前第二套聚丙烯装置专用料平均生产比例已达92%,第三套聚丙烯装置专用料平均生产比例达80.7%,两套聚丙烯装置可生产聚丙烯专用料牌号达140余种。而控制系统有横河CS,HIMA,西门子等国际知名厂商的众多先进控制系统。
聚丙烯的主要生产流程如下:
a.流程
盘车电机---减速箱---超越离合器---主电机---减速器---同向双螺杆泵(外部有夹套)---齿轮泵(加压)---过滤器---挤出机---切粒(水下)---脱水---干燥---振动筛(筛分)---料仓
未反应的丙烯气体会混合一定量的聚丙烯粉末,需用袋式除尘器除去聚丙烯粉末后,由压缩机打回到反应器内再利用。由于丙烯气体易燃、易爆,因此过滤袋需有防静电装置,同时应采用抗氧化材质(聚丙烯粉末中混有反应器中的强氧化催化剂)。
生产车间的主要设备如下:
b.设备
A.盘车电机:当全套设备检修完毕重新开车时,由于双螺杆泵内的熔融状态下的聚丙烯冷却后黏度很大,因此需要很大的启动转矩,靠主电机很难带动全套设备转动。此时,便一方面通过螺杆泵螺杆泵夹套为其内熔体加热,另一方面采用转矩高的盘车电机启动,当设备转起来后,通过超越离合器的作用,盘车电机停止工作,改为主电机带动设备转动。
B进行过滤以保护设备管道上的配件免受磨损和堵塞,以保护设备正常工作。过滤器待处理的水由入水口进入,水中的杂质沉积在不锈钢滤网上,由此产生压差,当压差达到设定值时,过滤器即需清洗。
C.高速压缩机的密封系统:
电机---膜片联轴器(弹性联轴器)---增速器---压缩机
①增速器输入轴和输出轴端均采用机械密封;
②压缩机自身密封采用干气密封系统。
D.机械密封:
①机械密封由静环座,动、静环辅助密封圈,防转销,动环(补偿环),静环(非补偿环),弹簧,弹簧座,紧定螺钉组成。紧定螺钉把弹簧固定在轴上,静环上开槽,通过防转销与静环座固定,静环座与设备连在一起。
②机械密封有四个密封点分别为:
A.动环与静环之间的密封---动密封;
B.动环与轴之间的密封---相对静密封;
C.静环与静环座之间的密封---静密封;
D.静环与设备之间的密封---静密封。
E.干气密封系统
当端面外侧开有流体动压槽的动环旋转时,流体动压槽把外径一侧的高压隔离气压入密封端面之间,由外径至槽径处气膜压力逐渐增加,而自槽径至内径处气膜压力逐渐下降,因端面膜压增加使其所形成的开启力大于作用在密封环上的闭合力,在摩擦副之间形成很薄的一层气膜,从而使密封工作在非接触状态下。所形成的气膜完全阻塞了相对低压的被密封介质的泄漏。①干气密封在两个密封端面间由气膜形成一定密封间隙,一般为几微米。若密封间隙太大会导致泄漏量增加,密封效果较差;而密封间隙过小,容易使两密封面发生接触,且干气密封的摩擦热不能及时散失,由于端面无润滑,冷却,很快将引起密封端面过热导致变形,最终导致密封失效。②密封工作时端面气膜形成的开启力与弹簧和介质作用力形成的闭合力达到平衡,从而形成非接触运转。干气密封的弹簧力是很小的,主要目的是当密封不受压或不工作时能确保密封的闭合,防止意外发生。
磁翻板液位计:又称磁性浮子液位计,根据浮力原理和磁性耦合作用研制而成。当被测容器中的液位升降时,液位计本体管中的磁性浮子也随之升降,浮子内的永久磁铁通过磁耦合传递到磁翻柱指示器,驱动红、白翻柱翻转180°,当液位上升时翻柱由白色转为红色,当液位下降时翻柱由红色转变为白色,指示器的红白交界处为容器内部液位的实际高度。作用:①.测液位高度;②.作为警报系统,达到上、下限时传出信号;③.远程监控,可实现传感器输出。
G.管道颜色与介质:冷却水--绿色,水蒸气或消防水--红色,仪表风--淡蓝色,空气--灰色,氧气--蓝色或深蓝色,酸碱--紫色,可燃介质--棕色,氮气--黄色。此外有保温的管道一般走的是蒸汽或低温盐水。
H.隔膜泵:隔膜泵是容积泵中较为特殊的一种形式,它是依靠一个膜片的来回鼓动而改变工作室容积来吸入和排除液体的。它的传动形式有机械传动、液压传动和气压传动等,其中应用较为广泛的是液压传动。隔膜泵的工作部分主要由曲柄连杆机构,柱塞,液缸,隔膜,泵体,吸入阀和排出阀等组成。隔膜片两侧带有网孔的锅底状零件,此零件是为防止膜片局部产生过大的变形而设置的,称为膜片限制器。
工作原理:隔膜泵工作时,曲柄连杆机构在电机的驱动下,带动柱塞作往复运动,在泵的两个对称的工作腔中各装有一块隔膜,当活塞向后移动时,隔膜凹进去,隔膜泵腔内的体积越变越大,压力也随之降低,当压力低于入口管压力时,泵的入口阀打开,流体流入隔膜泵腔内,当活塞达到内止点时,泵腔内体积达到最大,压力达到最小,流体充满泵腔,这时入口阀关闭,吸入过程完成。当活塞向前移动,膜片慢慢鼓起,泵腔内体积越来越小,腔内压力越来越大,出口阀被压开,流体被压出泵腔,当活塞达到外止点时,出口阀在弹簧力作用下关闭,流体排出过程结束。
适用于:输送各种腐蚀性液体,带颗粒,高粘度、易挥发、易燃、剧毒的液体。 材料:泵体一般采用塑料、铝合金、铸铁、不锈钢等材料;隔膜根据输送的介质的不同一般采用丁腈橡胶、氯丁橡胶、氟橡胶、聚偏氟乙烯、聚四六乙烯等。
(3)炼油一厂
实习目的:了解催化裂化反应过程及设备
简介:催化裂化是炼油厂中提高原油加工深度,生产高辛烷值汽油、柴油和液化气最重要的一种重油轻质化的工艺过程。是将常减压蒸馏后的重质馏分再次进行化学结构上的破坏加工而得到轻质产品的过程。
其原料除常减压蒸馏得到的330-500℃馏分外,脱沥青油、延迟焦化所得蜡油、各种脱蜡装置所得蜡膏、石蜡生产中的蜡下油、常压重油和减压渣油等均可作为催化裂化的原料。
一般具有反应-再生系统、分馏系统、吸收稳定系统,对处理量大,反应压力高的装置一般还有再生烟气的能量回收系统。
主要设备:
①.提升管反应器:催化裂化工艺中全部的全部的反应都是在提升管内发生的,
提升管反应器从下至上依次是预提升段、反应进料段、催化裂化反段、出口油气分离系统和待生催化剂汽提段。各段作用分别为:
a.预提升段:在提升管反应器的最下段,现在都采用直管和蒸汽环管的蒸汽注入方式,使从斜上方来的再生催化剂重新分布、转向并加速,使催化剂分布均匀,进入提升管后在整个截面上密度和流速相对稳定,为催化剂与原料充分混合提供一个理想的反应环境,改善装置操作性能。预提升介质可以是干气和水蒸汽,采用干气预提升不仅可能钝化催化剂上的重金属,而且可以降低提升管入口催化剂的密度,更有利于原料与催化剂的接触而减少生焦。
b.反应进料段:采用良好的进料分布和雾化系统对获得好的产率分布是很重要的,原料油越重其粘度就越大,雾化成较小的油滴就越困难,如果原料油不能完全而又快速气化,将会增加焦炭产率。现在装置多采用高效(KH 型或LPC 型)进料喷嘴,装置进料油和水蒸汽在进料喷嘴内完成破碎,形成好的喷射性能和分散性能,原料被快速雾化分散为与催化剂颗粒(平均为60-80μm)相当的微液粒有利于原料分子与催化剂颗粒的传质与传热,进而提高转化率,改善选择性。只有当雾化效果好时,进料油才能快速覆盖整个提升管横截面,保证剂油接触,达到充分、均匀反应的目的。
c.、催化反应段:油气和催化剂在提升管内的停留时间就是反应时间,它是装置的一个关键操作参数,在设计中应该合理地选择。装置如果以汽油产品方案为主时,反应时间一般确定为2-3s,以柴油产品方案为主时,反应时间一般确定为3-4s,当反应时间确定后,就可以通过计算提升管的直径和高度。
d.提升管出口油汽分离系统:此系统有两个作用,一是尽快使油气与催化剂分离,避免过度的二次裂化和氢转移等反应发生,提高产品收率的产品质量;二是减少催化剂随油气的带出,降低旋风分离器入口颗粒浓度,减少催化剂的单耗。现装置中多采用二级旋分器系统、旋流快分(VQS)加旋分器、倒L 型快分加旋分器几种形式。
e.反应后待生催化剂汽提部分:待生催化剂的汽提就是要把进入再生器的待生催化剂和催化剂颗粒之间及催化剂微孔内的烃类脱除,这一过程是在密相流化床上实现的,化剂与水蒸汽逆流接触,汽提效果的好坏与汽提蒸汽用量、催化剂循环量、待生剂的停留时间、操作温度和压力以及汽提段的结构设计等有关。一般汽提段蒸汽用量为4-5kg/1000kg催化剂。
(4)化工6厂
实习目的:了解聚乙烯生产工艺及设备
在化工一厂30多年发展的基础上,化工六厂生产的“燕山牌”聚乙烯产品获得“北京名牌产品”等光荣称号。
低压聚乙烯装置是引进日本三井石油公司的淤浆法生产工艺,设计能力为年产高密度聚乙烯14万吨,1994年09月建成投产。可生产管材料、拉丝料、中空料、双组分料等多个系列。
其主要装置由下述几个部分构成:

低压聚乙烯装置组成
从裂解装置来的高纯度乙烯、丙烯(或丁烯-1)、氢气,与聚合釜的循环气混合,通过8根气体注入管进入聚合釜的底部,原料气在溶剂中以鼓泡的形式与催化剂活性中心接触,发生聚合反应,乙烯插入活性中心后分子链迅速增长,直到在氢气作用下发生氢解而终止。由于聚合反应为放热反应,在反应过程中生成大量的热,80%由己烷蒸发潜热除去,其余20%热量通过聚合釜夹套的冷却水带走。
乙烯在己烷中的聚合反应为多相反应,搅拌对聚合反应有着重要的影响。搅拌带有三层涡轮搅拌叶,其作用是促进传质,使催化剂和乙烯均匀地分散在溶剂中;促进传热,使反应热迅速撤除,避免发生局部过热。
聚乙烯在大量的活性种上进行聚合,形成细小的颗粒,与溶剂己烷一起称为淤浆。浆液经过闪蒸脱出未反应的原料气后,进入离心机在离心力的作用下将固液分离,聚乙烯湿饼(含30%己烷)进入干燥机,通过蒸汽加热干燥成粉末,与一定配比的稳定剂混合后进入混炼造粒机造粒,得到聚乙烯颗粒产品。从离心机分离下来的液相(母液)经过蒸馏塔脱除低聚物、精馏塔脱除水后得到含水量小于5ppm的新鲜己烷循环使用。
在生产过程中,按聚合釜的排列和工艺条件的不同分三种生产方式,得到不同物性的产品:
并联A:两个聚合釜并联操作,工艺条件相同,例如5000S。
并联B:两个聚合釜并联操作,一釜生产高指数聚合物,二釜生产低指数聚合物,例如5200B。
串联:两个聚合釜串联操作,一釜生产高指数聚合物,二釜生产低指数聚合物,得到分子量双峰分布产品,例如近几年生产的7600M及6100M。
其核心设备聚合釜如图

图 聚合釜内部结构
低压装置串联生产方式流程图:

1、通过改变聚合釜的组合方式和工艺参数等手段,生产出不同的产品。通过对氢气/乙烯比值的调整实现对熔体流动速率(MFR)的控制调节;通过共聚单体调节产品密度(D);通过改变聚合釜的组合方式及其操作条件来控制非牛顿指数(NNI)。
2、主催化剂活性高,在原料乙烯CO含量<0.1×10-6的情况下,PZ催化剂的活性可达到600kgPE/gTi,在乙烯中CO含量<1×10-6的情况下,PZ催化剂活性的设计值为200~300kgPE/gTi。
3、由于催化剂活性高,用量少,因此革除了脱灰工序,简化了流程,减少了设备台数及公用工程消耗。
4、从产品淤浆中分离下来的溶剂己烷,有50~80%可直接循环使用,从而减轻了溶剂回收工序的负荷,降低了能耗。
5、三废少,基本无公害,三废排放均能符合排放标准,其中废水已达到直接排放河道的标准。
HDPE由于分子链结构规整,支链少且接枝在主链上,非常易于结晶,产品密度和结晶度是成正比的,与LDPE和LLDPE相比,其在强度、耐热性、刚性等物性方面更具有优势。
在生产过程中对产品质量的控制主要有三个方面:熔体流动速率(MFR)、密度(D)、分子量分布。
通过气相色谱仪与TDC-3000系统对氢气/乙烯比值的监测和控制,实现对熔体流动速率(MFR)的控制调节;通过添加不同的共聚单体及其加入量来调节产品密度(D);通过改变聚合釜的组合方式及其操作条件来控制产品的分子量分布——非牛顿指数(NNI)。
产品的熔体流动速率与气相色谱中氢气/乙烯比值成正比。
密度与共聚单体加入量成反比,共聚单体有两种,丙稀和丁烯-1,其区别是产生的支链长度不同,支链的存在会破坏结晶,使密度下降。
分子量分布与两个聚合釜的生产方式和工艺条件相关,串联生产方式可以得到分子量双峰宽分布的产品,其中低指数组分提高产品强度,高指数组分改善产品加工性。

图 化工六厂聚乙烯生产工艺学习场景
(5)化工一厂
实习目的:了解乙烯生产工艺及设备
化工一厂有三套生产设备;1、年产71万吨每年的乙烯生产装置;2、年产8万吨每年的乙醇生产装置;3、新引进的碳五分解装置;乙烯生产车间:;1973年8月29日,装置动工建设,1976年5月8日开车成功,生产出合格的乙烯。装置一轻柴油为原料,经过裂解、急冷、压缩、分离等工艺过程,生产出高纯度的乙烯、丙烯、氢气、液化气、碳四、碳五裂解汽油、裂解燃料油等副产品,为下游生产装置提供原料。
为了进一步提高装置的生产能力,降低成本,提高经济效益,将30万吨/年的乙烯装置进行大规模的技术改造与建设,生产能力扩大到45万吨/年。设计负责人依然是美国和日本的两个公司,与1994年9月22日试车成功。1999年3月18日进行第二次改造,2001年9月26日试车成功,达到了71万吨每年的产量,实产76万吨/年,而且生产的产品也逐渐变得多样。
环氧乙烷、乙二醇车间:
本装置是乙烯装置的配套装置,环氧乙烷产品年生产能力17000吨,乙二醇年生产能力80000吨。年耗乙烯约53600吨。环氧乙烷产品主要供应北京合成化学厂、天津石油化工公司第三石油化工厂、天津市助剂厂等厂家生产非离子表面活性剂、聚醚多元醇等,乙二醇产品主要供应燕化聚酯事业部、天津石油化工公司等厂家生产聚酯纤维。产品广销全国各地,并有少量出口。
本装置是从日本引进,采用美国科学设计公司(Science Design,简称SD公司)的专利技术,由日本曹达工程公司承包建设的,它是用纯氧在银催化剂作用下,通过固定床反应器氧化乙烯,生产环氧乙烷,再经管式反应器加压水合,生产乙二醇。
本装置于1973年12月26日签订合同,1977年8月施工结束,1978年7月28日投产。1998年由中国石化北京工程公司进行改造设计,将装置生产能力由60000吨/年扩大到年产80000吨乙二醇。2003年,再次与中国石化北京工程公司合作,对环氧乙烷精制单元进行扩能改造,使其设计生产能力提高到17000吨/年。
乙烯生产车间:
(1)主要原料
裂解炉的原料主要包括石脑油、中柴油、尾油、烃(乙烷、丙烷)。原料经过预热系统。分子量大的时候就降低预热温度,分子量较小的话,就升高预热温度。进入裂解炉裂解出口温度科大800℃。
(2)能耗水平
由于采用的是高温裂解,所以主要能耗集中在反应装置上,高温裂解的反应装置是SRT-IV型炉,该装置也是有鲁姆斯公司(LUMMUS)设计的。动力消耗有蒸汽、锅炉给水、循环冷却水、电、仪表风、杂用风和氮气。其中高压蒸汽:压力11.28MPa,温度520℃;中压蒸汽:新区压力1.6MPa,温度290℃,老区压力1.6MPa,温度300℃;低压蒸汽压力0.3MPa,温度197℃。
环氧乙烷、乙二醇车间:
乙烯氧化生产环氧乙烷,再水合生产乙二醇的工艺过程,所需的主辅原材料包括氧气、乙烯、甲烷、氮气、二氯乙烷和其他三剂等。
(1)主要原料
①氧气(OXYGEN)
生产过程中,乙烯氧化反应所用的氧气来自界外,控制指标主要包括氧气压力、纯度以及氩气等其他杂质的含量。其中氧气纯度要求大于99.6%,否则会因为排放其携带的氩气而损失过多的乙烯,导致能耗上升。温度为环境温度,压力≥2.5MPa,与循环气系统存在一定的压差,保证操作的安全性。
②乙烯(ETHYLENE)
工业用乙烯为化工一厂的产品,采用标准为GB/T 7715-2003,其中要求乙烯含量≥99.95%。
辅助原料
本装置使用氮气致稳,也可用甲烷代替氮气致稳。
氮气可以稀释乙烯和氧气的浓度,使乙烯氧化反应在安全范围内进行,同时还可携带部分反应生成的热量。对于致稳氮气的使用要求为环境温度下,一般低压氮气≥0.2MPa,中压氮气压力≥2.5MPa,体积纯度≥99.99%。
三剂
①催化剂(CATALYST)
YS-7催化剂的化学组成:Al、Ag分子式:Al2O3、Ag该催化剂由燕山研究院提供。
②CO2吸收剂
在乙烯氧化反应制环氧乙烷过程中,同时会发生乙烯完全氧化生成CO2的副反应,这些CO2和致稳气、未反应的乙烯及氧气与环氧乙烷分离后被压缩循环回反应器,为保证反应器入口混合器中的CO2含量稳定,需要将部分循环气导出脱CO2,通常使用碳酸钾做吸收剂来脱除CO2。本装置使用的碳酸钾由河北省眺山化工厂提供,质量含量≥99%。
③抑制剂(MODERATOR,缩写EDC)
催化剂抑制剂EDC化学式:C2H4CL2,由北京化工厂提供。
④消泡剂(TG-3000)
在用碳酸钾吸收CO2气体时会在接触塔中发生碱液起泡,影响操作,因此要加入
消泡剂。TG-3000为无色粘稠液体,平均分子量3000±200,能降低水溶液的表面张力,防止泡沫产生。该消泡剂由日本油脂株式会社提供。
⑤消泡剂(共和900)
用于防止环氧乙烷解吸收塔(D-310)起泡,本装置所用消泡剂为共和900,是以碳十八为主的混合烯醇,由日本共和油脂工业株式会社提供。
⑥导热油(T-55)
用于乙二醇装置环氧乙烷列管反应器的壳程外部,作为乙烯氧化生成环氧乙烷反应热的导出介质,在280℃的情况下可连续运转四年左右,当残碳值大于2%时更换。苏州首诺公司提供。
⑦液碱(NaOH)
用于装置水处理系统U-550离子交换树脂再生时进行碱洗,为NaOH的水溶液。香河瑞昕公司提供。
⑧除氧剂(A-1050)
除氧剂A-1050是一种具有氨的臭味的无色液体,用于乙二醇装置环氧乙烷反应器载体导热油冷却水处理,因给水中含有溶解氧,会使锅炉严重腐蚀,加入除氧剂有脱除氧的作用。大连粟田工业株式会社提供。
⑨PH调整剂(A-2010)
PH调整剂A-2010是一种略带黄色的有强烈氨臭和腥味的液体。用于乙二醇装置环氧乙烷反应器热载体冷却器(E-110)的给水处理上。因给水中含有二氧化碳,有破坏锅炉表面防护膜的作用,加入A-2010与水中的金属离子反应,可以调整给水的PH值,起到防腐的作用。大连粟田株式会社提供。
⑩除垢剂(A-4560)
除垢剂A-4560是一种含有乳白色颗粒的白色粉末,溶液呈碱性,易潮解,是多磷酸钠和氢氧化钠的混合物。用于乙二醇装置环氧乙烷反应器热载体导热油冷却器的给水处理上。因给水中含有Ca2+、Mg2+、Fe3+、Al3+等离子,会造成结垢,影响传热效果。加入A-4560时,一水多磷酸钠和水中的阳离子能生成水溶性的络合物,从而起到软化水合除垢的作用。大连粟田株式会社提供。
(2)能耗水平
受生产能力较低(80000吨乙二醇/年)的限制,装置的能耗水平在行业中排名中等偏后,其中装置能耗水平在同行业中居最后一名。
产品
乙烯生产车间:
燕化乙烯装置主要以炼厂来的加氢尾油(HVGO)、重柴油(HGO)和石脑油(NAP)为原料,经过高温蒸汽裂解、急冷、压缩、分离等工艺过程,生产出高纯度的乙烯、丙烯产品和氢气、液化气、碳四、碳五、裂解汽油、裂解轻柴油、裂解燃料油等副产品,为下游的聚乙烯、聚丙烯、丁二烯装置、芳烃装置等提供原料。因此,乙烯装置处于石油化工装置生产链的核心位置。
环氧乙烷、乙二醇车间:
本装置的主要产品有环氧乙烷(ETHYLENE OXIDE,缩写EO)和乙二醇(ETHYLENE GLYGOLS,缩写EG)。环氧乙烷、乙二醇是石油化学工业的重要原料,环氧乙烷除主要用于生产乙二醇外,还大量用于生产非离子表面活性剂、乙二醇醚,乙醇胺、防腐涂料及其他多种化工产品。在合成纤维工业中,环氧乙烷也可以直接作为中间体代替乙二醇制造聚酯纤维和薄膜。
乙二醇主要用于生产聚酯纤维、塑料、松香脂、干燥剂、柔软剂等多种化工产品。环氧乙烷、乙二醇产品应用广泛,环氧乙烷的产量在乙烯工业衍生物中仅次于聚乙烯而占第二位。环氧乙烷的产品产量的75%用于生产乙二醇。

化工一厂实习场景



